-
工作日:8:00 — 17:20
销售:宋经理
Ø总体介绍
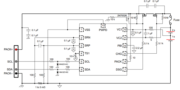
MPC7021是一款基于锂电池组管理的芯片集成解决方案,针对1~2 节串联锂离子或锂聚合物电池组提供电量监测、保护及认证等一系列的丰富功能。该芯片利用其集成的高性能模拟外设,测量锂离子或锂聚合物电池的可用容量、电压、电流、温度和其他关键参数,保留准确的数据记录,并通过 I2C 接口将这些信息报告给系统主机控制器。
MPC7021 针对过压、欠压、过流、短路电、过载和过热情况,以及其它电池相关故障提供基于软件的 1 级和 2 级安全保护。
MPC7021电量监测计通过 I2C 兼容接口进行通信,并将超低功耗的高速ARM M0处理器、高精度模拟测量功能、集成闪存、相关外设和通信端口、N 沟道 FET 驱动器以及 SHA-1,SHA-256等安全认证融合于一套完整的高性能电池管理解决方案中。
产品紧凑的 12Pin VSON 封装在提供电池电量测量应用的功能性和安全性的同时,最大限度地降低解决方案的成本和智能电池的尺寸。
Ø产品特征
集成2串Smart gauge V3.0算法的电量计
支持I2C通信
芯片内部集成温度感应 Sensor,同时支持外部的温度Sensor
AFE硬件保护(充放电过流/过载/短路)
软件可编程保护(过流/过压/欠压/过温保护等)
支持低至0.75mΩ的采样电阻
支持均衡功能
低自耗电(正常工作150uA,Sleep 40uA)
Ø应用场景
适用于1~2串手机电池
小型UPS/电动工具
Ø产品优势
2路16 bit的 I/V ADC和1路快速电流ADC
SHA128/SHA256加密支持
QFN封装, bq28z610 p2p
128KB flash,支持更多FW功能定制
将集成多种先进算法,充分发掘cell的潜力和提升电池
的安全等级 (CIS内短路算法、膨胀检测算法等)
Ø典型应用
